仪器网(yiqi.com)欢迎您!

| 注册2 登录
网站首页-资讯-专题- 微头条-话题-产品- 品牌库-搜索-供应商- 展会-招标-采购- 社区-知识-技术-资料库-方案-产品库- 视频

问答社区

赛默飞空气中非甲烷总烃及苯系物整体解决方案

赛默飞色谱与质谱中国 2023-05-11 15:37:19 257  浏览
  •  

    随着国家“双碳”战略的持续推进,环境监测部门对于环境空气和固定污染源的非甲烷总烃及苯系物的检测需求越来越多。同时相关标准也在不断更新之中,其中HJ 1261-2022《固定污染源废气 苯系物的测定 气袋采样/直接进样-气相色谱法》也已于2023年1月开始实施。

    空气中总烃、甲烷、非甲烷总烃测定目前采用HJ 38-2017 《固定污染源废气 总烃、甲烷和非甲烷总烃的测定 气相色谱法》和HJ 604-2017《环境空气 总烃、甲烷和非甲烷总烃的测定 直接进样-气相色谱法》两个方法实施。

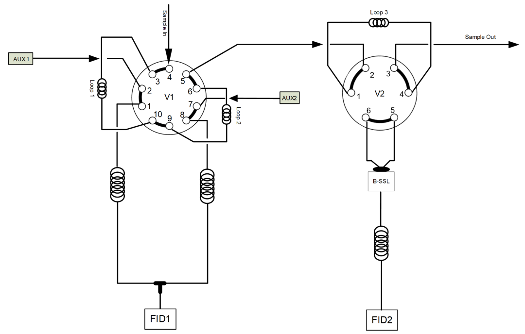
    赛默飞最xin的Trace1600系列色谱仪采用独特的模块化即时连接进样口、检测器,以其优越的灵活性和稳定性,将苯系物测定和非甲烷总烃检测整合到一台气相色谱仪上,极大地节约实验室运行成本、提高检测效率。配置如下图:

                                                                              (点击查看大图)

     

     

    总烃、甲烷和非甲烷总烃测定

    针对非甲烷总烃检测(NMHC),采用十通阀双定量环,平行双色谱柱汇合到单FID检测器方案,经济实用。配置变色龙软件,提供灵活的报告模板,可以通过编辑公式计算得到非甲烷总烃的质量浓度(以甲烷或以碳计,mg/m3)。zuida程 度的简化工作,方便用户日常分析操作。

    根据环境保护标准《HJ 604-2017环境空气 总烃、甲烷和非甲烷总烃的测定 直接进样-气相色谱法》要求,由低浓度到高浓度依次通过定量环取1 mL气体样品注入气相色谱仪,分别测定总烃、甲烷。


    色谱条件:

    进样量:1mL

    阀箱温度:80℃

    柱温箱:起始温度60℃,保持11.5,速率:10℃/min,终温:120,保持2min。

    色谱柱1:Porapak Q 1/8”×2m

    色谱柱2:Glass Bead  1/8”×1m

    检测器温度:250℃

     

                                                                              1

    高浓度NMHC色谱图及标线

    高浓度NMHC的5个浓度点依次为50, 100, 200, 400, 800 μmol/mol。

                                                       高浓度非甲烷总烃标气色谱图如图1:

                                              图1:高浓度总烃及甲烷5个浓度点叠加谱图

                                                    高浓度总烃校准曲线,线性相关系数R^2=0.9999

                                                    高浓度甲烷校准曲线,线性相关系数R^2=0.9999

     

                                                                                     2

    低浓度NMHC色谱图及标线

    低浓度NMHC的5个浓度点依次为1, 2, 4, 8, 16 μmol/mol。

                                                          低浓度非甲烷总烃标气色谱图如图2:

                                                    图2:低浓度总烃及甲烷5个浓度点叠加谱图

                                                          低浓度总烃校准曲线,线性相关系数R^2=0.9999

                                                          低浓度甲烷校准曲线,线性相关系数R^2=0.9999

     

     

     

     

    从实验结果可以得出结论,单检测器非甲烷总烃检测方案具有良好的灵敏度和线性,适用浓度范围广,完全可以满足固定污染源和环境空气非甲烷总烃检测需求。

     

    空气中苯系物测定

    根据HJ 1261-2022《固定污染源废气 苯系物的测定 气袋采样/直接进样-气相色谱法》,需要检测的苯系物包括:苯、甲苯、乙苯、对二甲苯、间二甲苯、异丙苯、邻二甲苯、苯乙烯八种物质。方法检出限为0.2 mg/m3~0.6 mg/m3,测定下限为0.8 mg/m3~2.4 mg/m3。

    采用气袋直接进样即可满足检出限要求。配置用六通进样阀接分流/不分流进样口,接TG-WAX色谱柱,FID检出,可以通过变色龙软件的定制化报告转换为mg/m3。


    色谱条件:

    进样量:1mL

    进样口温度:200℃

    分流比:2:1

    色谱柱:TG-WAXMS GC Column 30m x 0.32mm x 1μm

    柱流速:3mL/min

    FID检测器温度:240℃

                                                    15 µmol/mol苯系物标准气体谱图如图3:

                                         图3:15 µmol/mol苯系物标准气体谱图

                             1-苯;2-甲苯;3-乙苯;4-对二甲苯;5-间二甲苯;6-异丙苯;7-邻二甲苯;8-苯乙烯

     

     

     

     

    连续6次进样各组分相对标准偏差RSD在0.97%-2.09%之间。通过信噪比计算,苯的三倍噪音检出限为0.18 mg/m3。实验结果表明本方案可以满足固定污染源废气中苯系物的测定需求。

     

    总  结

    赛默飞Trace1600系列气相色谱仪以其出色的灵活性和稳定性,可以在一台GC上同时搭载多个应用方法,并可以随时更换不同类型进样口、检测器,满足实验室多任务分析需求,为用户提高效率、节约成本,提供切实可行的方案。


参与评论

全部评论(0条)

热门问答

赛默飞空气中非甲烷总烃及苯系物整体解决方案

 

随着国家“双碳”战略的持续推进,环境监测部门对于环境空气和固定污染源的非甲烷总烃及苯系物的检测需求越来越多。同时相关标准也在不断更新之中,其中HJ 1261-2022《固定污染源废气 苯系物的测定 气袋采样/直接进样-气相色谱法》也已于2023年1月开始实施。

空气中总烃、甲烷、非甲烷总烃测定目前采用HJ 38-2017 《固定污染源废气 总烃、甲烷和非甲烷总烃的测定 气相色谱法》和HJ 604-2017《环境空气 总烃、甲烷和非甲烷总烃的测定 直接进样-气相色谱法》两个方法实施。

赛默飞最xin的Trace1600系列色谱仪采用独特的模块化即时连接进样口、检测器,以其优越的灵活性和稳定性,将苯系物测定和非甲烷总烃检测整合到一台气相色谱仪上,极大地节约实验室运行成本、提高检测效率。配置如下图:

                                                                          (点击查看大图)

 

 

总烃、甲烷和非甲烷总烃测定

针对非甲烷总烃检测(NMHC),采用十通阀双定量环,平行双色谱柱汇合到单FID检测器方案,经济实用。配置变色龙软件,提供灵活的报告模板,可以通过编辑公式计算得到非甲烷总烃的质量浓度(以甲烷或以碳计,mg/m3)。zuida程 度的简化工作,方便用户日常分析操作。

根据环境保护标准《HJ 604-2017环境空气 总烃、甲烷和非甲烷总烃的测定 直接进样-气相色谱法》要求,由低浓度到高浓度依次通过定量环取1 mL气体样品注入气相色谱仪,分别测定总烃、甲烷。


色谱条件:

进样量:1mL

阀箱温度:80℃

柱温箱:起始温度60℃,保持11.5,速率:10℃/min,终温:120,保持2min。

色谱柱1:Porapak Q 1/8”×2m

色谱柱2:Glass Bead  1/8”×1m

检测器温度:250℃

 

                                                                          1

高浓度NMHC色谱图及标线

高浓度NMHC的5个浓度点依次为50, 100, 200, 400, 800 μmol/mol。

                                                   高浓度非甲烷总烃标气色谱图如图1:

                                          图1:高浓度总烃及甲烷5个浓度点叠加谱图

                                                高浓度总烃校准曲线,线性相关系数R^2=0.9999

                                                高浓度甲烷校准曲线,线性相关系数R^2=0.9999

 

                                                                                 2

低浓度NMHC色谱图及标线

低浓度NMHC的5个浓度点依次为1, 2, 4, 8, 16 μmol/mol。

                                                      低浓度非甲烷总烃标气色谱图如图2:

                                                图2:低浓度总烃及甲烷5个浓度点叠加谱图

                                                      低浓度总烃校准曲线,线性相关系数R^2=0.9999

                                                      低浓度甲烷校准曲线,线性相关系数R^2=0.9999

 

 

 

 

从实验结果可以得出结论,单检测器非甲烷总烃检测方案具有良好的灵敏度和线性,适用浓度范围广,完全可以满足固定污染源和环境空气非甲烷总烃检测需求。

 

空气中苯系物测定

根据HJ 1261-2022《固定污染源废气 苯系物的测定 气袋采样/直接进样-气相色谱法》,需要检测的苯系物包括:苯、甲苯、乙苯、对二甲苯、间二甲苯、异丙苯、邻二甲苯、苯乙烯八种物质。方法检出限为0.2 mg/m3~0.6 mg/m3,测定下限为0.8 mg/m3~2.4 mg/m3。

采用气袋直接进样即可满足检出限要求。配置用六通进样阀接分流/不分流进样口,接TG-WAX色谱柱,FID检出,可以通过变色龙软件的定制化报告转换为mg/m3。


色谱条件:

进样量:1mL

进样口温度:200℃

分流比:2:1

色谱柱:TG-WAXMS GC Column 30m x 0.32mm x 1μm

柱流速:3mL/min

FID检测器温度:240℃

                                                15 µmol/mol苯系物标准气体谱图如图3:

                                     图3:15 µmol/mol苯系物标准气体谱图

                         1-苯;2-甲苯;3-乙苯;4-对二甲苯;5-间二甲苯;6-异丙苯;7-邻二甲苯;8-苯乙烯

 

 

 

 

连续6次进样各组分相对标准偏差RSD在0.97%-2.09%之间。通过信噪比计算,苯的三倍噪音检出限为0.18 mg/m3。实验结果表明本方案可以满足固定污染源废气中苯系物的测定需求。

 

总  结

赛默飞Trace1600系列气相色谱仪以其出色的灵活性和稳定性,可以在一台GC上同时搭载多个应用方法,并可以随时更换不同类型进样口、检测器,满足实验室多任务分析需求,为用户提高效率、节约成本,提供切实可行的方案。


2023-05-11 15:37:19 257 0
赛默飞为疫苗行业提供整体解决方案

赛默飞携手疫苗行业,为疫苗行业提供整体解决方案。




smart-tracker™

无线数据跟踪记录模块



     与智能手机连接后,无线跟踪样品温度和样品位置信息,保障样品安全。


     适用于各种冷链运输过程中,需要监控样品温度和样品位置的应用。


     可以选择不同颜色的外壳,便于区分。







thermo scientific™ sorvall™ bios 16 

生物制药离心机


     高通量样品处理,Z大能一次处理16l的细胞培养物,省时省力。


      thermo scientific™ ace™离心效果积分功能,能自动调整运行时间以应对加速过程中出现的各种变化情况。保证实验的可重复性,减少批间差。


      thermo scientific™ centri-touch™液晶触摸屏操作系统,操作简便减少编程错误。更带有权限及数据管理功能,方便疫苗生产审计追踪。


thermo scientific™ auto-door™ & auto-lid™一键开盖功能,解放双手,提高人机功效。


thermo scientific™ duraflex™驱动电机,能为离心机带来高达125g的不平衡容忍度。为安全离心保驾护航。







tsx 系列高性能桌下型冷藏箱

     采用变频热电热泵替代压缩机制冷,温度分布-±2℃,为疫苗试剂等样品的安全储存提供理想条件。


     冗余制冷元件的使用,比传统冷藏箱节能37%,安静20倍,容量扩大1倍。


     35分贝的运行噪音,即使置于工作台下,也可保持办公环境,安静舒适。


      密集的内部空气循环消除了结霜风险,有效避免疫苗试剂等样品被损伤。







thermo scientific herasafe 2030i

生物安全柜


       具有ZL设计的smartflow plus技术,不论hepa过滤器处于任何负载水平下,都能确保适当的气流速度,为样品,人员,环境提供持续保护。


      全彩色触摸屏界面,操作便捷,气流安全性和相关数据即时可见,消除用户对于安全柜能否正常运作,珍贵样品能否得到保护的顾虑。


      smart clean plus可全开铰链式前窗设计,便于疫苗洁净车间,清洁消毒操作。







thermo scientific™heracell™ vios系列

co2培养箱

       thrive主动气流技术,可快速均匀的恢复箱内条件,并持续不断换气。打开门30秒后,所有细胞培养的关键参数在10 分钟之内全面复原,维持细胞培养环境稳定。


       Z大255l容积可以容纳高通量和大规模细胞培养容器,加强型不锈钢承载能力可适应更重的容器负载。提高工程细胞培养效率。


       独特的 thermo scientific™ steri-run™高温灭菌程序保证在腔体表面各个温度点达到180℃高温,经第三方独立验证达到下降12log的消毒保证水平(sal)。保证培养环境工程细胞不会被污染,提高生产安全性。


       先进的hepa 过滤技术可在打开门30秒后仅 5分钟内提供 箱体内iso-5级的空气质量条件,以保护您的培养物。







本文链接:http://www.yiqi.com/zt2141/solution_37103.html


2019-11-17 14:51:05 406 0
GB 2763-2019赛默飞整体解决方案之二:LC-MS/

前天的文章介绍了赛默飞针对GB2763-2019 食品中农药Z大残留限量,推出了市场上wei一的集GC-MS/MS、LC-MS/MS和IC-MS/MS三大技术平台为一体的全流程解决方案。(链接:https://www.yiqi.com/zt5210/news_43033.html)今天就要给大家继续介绍LC-MS方案的技术特点。


LC-MS方案的技术特点


一、一个前处理一针进样一天完成


本解决方案通过一次 QuEChERS 样品前处理,在 LC-MS/MS上一针进样,25min内完成正负模式同时采集,可在一天内实现筛查和确证超过 460 种农药,其中GB2763-2019 监管范围内的近400种,大大节省了人力、物力和成本。




二、二维方法包: 仪器方法包、耗材包


1.成熟的方法包

多目标物的检测,仪器方法的优化十分的繁琐,从每个化合物质谱参数的优化,到整体液相条件的选择,从数据库到定量方法的建立,每个实验室都要耗费巨大的精力。这些工作,赛默飞的工程师们已替您完成,为您精心准备了基于强大的TraceFinder软件的database及采集、定量方法包,为您分析的全流程保驾护航。您所需要做的,就是动动鼠标,把方法导入即可。


赛默飞针对GB2763的database中包括了每个农药的名称、分子式、分子量、CAS号,以及保留时间、加和模式等信息,便于使用和查找。对于有多种加和模式的农药品种,根据其响应,数据库中尽可能的给出响应较强的多种加和模式的SRM条件。



同时由于食品的多样性,复杂的基质有时会对某个子离子的响应产生干扰,进而影响定性和定量的准确性。这一点赛默飞也给大家提供了备选方案,对于每个农药品种,提供了多个子离子的Z优SRM质谱条件,同时整合在database中,便于根据不同食品基质来选择Z适合的监测离子对。



2.全系列的耗材包

除了仪器方法包,赛默飞还贴心的为您提供色谱耗材和前处理耗材包:



三、三大技术保障:扫描速度快、选择性高、前所未有的稳定


1.wu与伦比的扫描速度(600 SRM/秒)

——更多化合物/样本,更多样本/天

2.高选择性SRM带来优良的选择性

——0.2 Da FWHM, 0.4 Da FWHM

3.前所未有的稳定性

——保证每一次分析运行,保障您的每一次投资



苹果基质中1μg/kg加标水平,一针进样,超过460种农药正负离子同时采集,轻松获得足够的扫描点数,提供高质量数据的同时,保证了定性定量的准确性。


茶叶基质中连续进样100针,峰面积变化趋势


四、四大技术特点:高灵敏度、优异的回收率和重复性、出色的线性关系


面对复杂基质中的多残留检测,赛默飞的三重四极杆质谱表现从来没有让您失望。在苹果基质中1 μg/kg的加标水平下,超过80%的农药品种的回收率和重现性可以满足欧盟Z新的SANTE 12682/2019的苛刻要求;10 μg/kg的加标水平下,超过95%的农药品种回收率在70~120%之间,RSD<20%。





增强型双模式离散打拿极检测器,在扫描范围内提供ji致的线性范围及动态范围,同时延长电子倍增器使用寿命,保证长时间有效工作!如下图所示,农药在基质样品中轻松获得优异的线性关系,即使在1~5 ng/mL低浓度范围,也实现了良好的拟合,保证了在整个线性范围内定量的准确性。



GX快速地农药多残留检测


上述结果表明,赛默飞针对GB2763-2019推出的LC-MS/MS多农残解决方案,基于一套简单的QuEChERS样品前处理流程,利用Vanquish超GX液相色谱系统对复杂样品强大的分离能力,加上TSQ三重四极杆质谱wu与伦比的扫描速度(600 SRM/秒)、灵敏度和稳定性,实现了一个前处理、一针进样正负同时分析超过 460 种农药,其中近400 种为 GB2763 监管的农药,只需一天便可得出分析结果,从而使GX快速地农药多残留检测成为可能。


2020-04-18 13:58:26 478 0
GB 2763-2019赛默飞整体解决方案之三:IC-MS/

GB 2763-2019中几百种农药残留的检测,已经被GC-MS和LC-MS承包了,但是否仍有小部分的强极性离子型农残的测定无法融入到你现有的方案中呢?别急,跟随小编来看看赛默飞专门针对这类物质提出的解决方案吧!


IC-MS/MS解决方案


在GB2763-2019种,有这样一部分农药残留物质,它们具有强极性、水溶性以及小分子的特点,常规反相色谱柱需要衍生化反应才能有所保留,常用来替代反相柱的Hilic色谱柱虽然可以直接保留,但需要平衡的时间长,重复性也较差。非常典型的几种物质就是近年来备受关注的草甘膦、草铵膦及其代谢产物,以及剧毒农药百草枯、敌草快等,统称为极性离子型农药。为此,赛默飞提出了离子色谱-质谱(IC-MS)的联用方案,以离子交换色谱柱轻松分离强极性离子型农药,结合三重四极杆质谱的高灵敏度和选择性,在复杂食品基质中准确定性和定量痕量的农药残留,为您的实验室增添有力的检测手段。根据农残离子带电荷正负不同,在离子色谱上分为阴离子交换和阳离子交换的不同配置。下面分别介绍阳离子型农药和阴离子型农药的IC-MS/MS解决方案。


图1. IC-MS/MS联用流程图


(一)极性阳离子型农药残留解决方案


极性阳离子型农药种类不多,但个个大名鼎鼎,让人闻风丧胆的百草枯就是其中Z典型的一个。剧毒且令中毒之人回天乏术的百草枯是被禁用的农药种类,但仍有少数地区会有它的身影出现。IC-MS/MS 联用技术可以轻松应对极性阳离子型农药 – 百草枯的检测,此外,还可以同时分析敌草快、缩节胺、矮壮素,以及草甘膦的对离子Trimethyl sulfonium (TMS)。10分钟同时分离这五种化合物,无需衍生化,灵敏度高,选择性好。仪器配置上除了可以应用紧凑型Integrion离子色谱系统,还可以通过ICS-6000模块型高端离子色谱系统来实现,为客户提供更多选择。


ICS-6000 搭配TSQ Altis


方法学验证结果与欧盟规定一致


依照欧盟SANTE 12682/2019中的规定,所得全部结果都与该规定一致,满足回收率70%-120%,重复性RSDs小于20%。限量Z低的百草枯在GB2763-2019中的规定是:浆果类和小型水果类为0.01 mg/kg。验证工作选取了草莓为基质,以0.005 mg/kg为Z低加标验证浓度。


(1)灵敏度  

在草莓中加标0.005 mg/kg时,对应的五种化合物中定量离子和定性离子响应信号见下图所示。高灵敏度说明该方法可以充分满足五种极性阳离子型农残的检测。



(2)回收率和重复性  

草莓基质中加标三个水平(0.005 mg/kg、0.01 mg/kg、0.05 mg/kg),回收率为89%-109%,RSD低于10%。




(3)系统稳定性和耐受性  

经过优化的前处理过程,可以有效去除样品基质,维持系统长时间稳定,有效延长耗材使用寿命。草莓基质下的百草枯,超过100针进样的离子对比例如下图所示:




200针草莓基质进样前后的保留时间漂移值如下表所示:



(二)极性阴离子型农药残留解决方案


赛默飞经过大量的验证试验,已于2019年11月推出了一套完整的基于IC-MS/MS技术的workflow,专门应用于极性阴离子型农药的多组分同时分析,免除衍生化反应,21分钟的分析周期同时测定15种极性阴离子型农药及其代谢产物(Glyphosate、AMPA、N-acetyl-AMPA、N-acetyl-glyphosate、glufosinate、N-acetyl-glufosinate、MPPA、Ethephon、Fosetyl-Al、Phosphonic acid、Cyanuric acid、Bialaphos、HEPA),以及常见离子型污染物氯酸盐和高氯酸盐。欧盟在农残风险评估中强烈建议要将包含农药及其代谢产物的总和作为残留定义,此方案恰恰可以满足欧盟这一要求,同时分析极性农药和对应的代谢产物,灵敏度满足甚至远高于需求,并且还可以提供给用户针对性的前处理方法、应用耗材、检测设备、数据处理以及技术支持等。



Integrion 搭配 TSQ Altis


方法学验证结果与欧盟规定一致


依照欧盟SANTE 12682/2019中的规定,所得全部结果都与该规定一致,满足回收率70%-120%,重复性RSDs小于20%。大多数国家将ZD农残Z大限量定为10 ng/g,尽管其他农药的Z大残留限值高于10 ng/g,但大多数实验室仍将10 ng/g作为分析方法验证的Z低标准。


(1)灵敏度  

面粉被普遍认为是基质很复杂的一类样品,下图是在面粉基质中,标准曲线Z低点(相当于4 ng/g样品含量)的峰形图。15种化合物的灵敏度均可满足欧盟要求。



(2)回收率和重复性  

以面粉为例的10 ng/g加标回收率结果,四种面粉样品结果如下图所示,满足EU SANTE 12682/2019中回收率在70%-120%,RSDs小于20%。



(3)系统稳定性和耐受性  

以葱基质中的草甘膦为例,进样124针的离子对比例和保留时间统计:




连续进样含基质样品500针前后峰形对比图:



(三)IC-MS/MS联用系统优势

1 离子交换柱,GX分离待测物,无需衍生,节约成本,简化分析流程。

全流路PEEK材质,耐酸碱和有机溶剂,不与待测物络合干扰测定结果。

3 EGC淋洗液在线制备,可提供稳定准确的等度和梯度淋洗功能,只加水就可以在线自动产生淋洗液,方便使用,降低泵头维护。

4 在线电解YZ器提供持续稳定的YZ功能,使离子色谱系统与质谱兼容。

5 TSQ 质谱检测器具备更高的灵敏度和选择性,可以在复杂食品基质中更加准确的定性和定量分析。


结语

赛默飞帮助和陪伴用户应对挑战


赛默飞作为科学领域的ling导者,一直专注于解决科学技术难题,帮助和陪伴用户轻松应对来自各方面的挑战。针对GB2763-2019提出的全新挑战,赛默飞依托全面的产品线,强大的技术力量推出了市场上Z为全面的解决方案。该方案基于GC、LC、IC与串联质谱的仪器分析平台,整合QuEChERS与SPE的前处理技术,为检测实验室应对新的挑战提供强有力的技术支持。






2020-04-18 15:15:19 604 0
赛默飞XRD EQ100产品介绍及参数

产品介绍

 

精巧高性能的赛默飞ARL EQUINOX 100拥有独特的超大型实时探测器,可以对全谱进行实时同步采集。得益于特定的实时检测模式,测量在几秒钟内即可完成。 该仪器在不影响速度或性能的前提下简化了操作流程。这使得其拥有更快的检测速度,也特别适用于原位研究和与结晶/相变相关的实验。

 

产品优势

 

• 可靠且耐用,无活动部件

• 高强度微聚焦光源

• 实时同步数据采集

• 多种样品台与分析模式可选

 

技术规格

 

EQ100

高度:545 mm

宽度:680 mm

深度:585 mm

重量:75 kg(根据附件选择具体情况而定)

最大功率:50W

气体供给:P10混合气

冷却装置:无需外接冷却装置

 

应用领域

物相分析

精密测定点阵参数

宏观应力的测定

晶粒尺寸大小的测定

取向分析

结晶度的测定


2021-11-23 15:04:18 451 0
赛默飞 XRD EQ3000/350参数、优势及应用领域

EQ3000/3500


高级X-射线衍射仪的ARL EQUINOX 3000和3500配有独特的超大面积实时探测器,可以对全谱进行实时同步采集。这使得其拥有更快的检测速度,也特别适用于原位研究和与结晶/相变相关的实验。


• 可靠且耐用,无活动部件

• 标准大功率衍射平台

• 实时同步数据采集

• 多种样品台与分析模式可选

• 可选配多种光学器件

• 高分辨探测器

 

EQ3000/3500


高度:1913mm

宽度:1200mm

深度:828mm

重量:400~450kg(根据附件选择具体情况而定)

最-大功率:3500W

气体供给:P10混合气

冷却装置:需外接冷却装置

 

应用领域

 

一、物相分析

二、精密测定点阵参数

三、宏观应力的测定

四、晶粒尺寸大小的测定

五、取向分析

六、结晶度的测定


2021-11-16 17:18:17 438 0
赛默飞 XRD EQ1000参数、优势及应用行业

赛默飞  XRD EQ1000优势

 

高性能精巧型的ARL EQUINOX 1000拥有独特的超大面积实时探测器,可以对全谱进行实时同步采集。这使得其拥有更快的检

测速度,也特别适用于原位研究和与结晶/相变相关的实验。

• 可靠且耐用,无活动部件

• 市售一款3KW台式机

• 实时同步数据采集

• 多种样品台与分析模式可选

 

EQ1000参数

高度:750 mm

宽度:996 mm

深度:715 mm

重量:150 kg(根据附件选择具体情况而定)

最-大功率:3000W

气体供给:P10混合气

冷却装置:需外接冷却装置

 

可应用行业

 

·石油化工行业

 

1、检测原油、燃料油、润滑油、渣油等油品的污染元素、有害元素等。

 

2、检测催化剂中的活性成分:Pt、Pd、Ir、Re等贵金属元素或者Ni、Co、W、Mo等非贵金属元素,通过对催化剂中的元素进行分析,可以判断催化的活性。

 

3、检测聚合物中的残留及杂质:Na、Mg、Al、Si、P、S、Ca、Ti、Fe、Zn等,有害元素:As、Br、Cd、Pb等。

 

·环保固废行业

1、XRF在环境监测中的应用:土壤,大气颗粒物。

 

2、XRF在环境保护中的应用:固体废弃物。

 

3、XRF在固废处理中的应用:垃圾焚烧的副产物烟气、炉渣、飞灰。

 

 

·玻璃陶瓷耐材行业

 

1、检测玻璃材料中

主要原料:引入玻璃各组成氧化物的原料,主要成分有SiO2、Na2O、CaO、Al2O3、MgO等五种成分,决定了玻璃的物理和化学性质。

辅助原料:为使玻璃获得某些必要性能和加速熔制过程的原料,如澄清剂、助熔剂、着色剂、脱色剂、乳浊剂等。

 

2、检测陶瓷材料中的杂质元素含量,比如:

*滤波器关键材料:微波介质陶瓷

*PCB关键材料:高频基材

*天线材料:LCP与MPI

*塑料天线振子

*第三代半导体材料

*手机金属中框

*手机3D玻璃

*手机陶瓷外壳

*手机电磁屏蔽材料

*手机导热散热材料

*手机PC/PMMA复合材料

3、耐火材料中的主成分对材料高温性质起决定性作用,耐火材料之所有具有优良的抵抗高温作用的性能,以及许多耐火材料有各具特性,完全或基本上取决于主成分。

 

·ROHS及贵金属珠宝行业

1、电子电气产品中ROHS检测:Cr,Pb,Cd,Br,Hg

 

2、贵金属珠宝

EDXRF是鉴定宝石真伪及其产地的重要工具——快速无损。

不同的地质环境微量元素组成不同,可通过对宝石的定性及定量追踪原产地。

某些微量元素可以很好的区分天然形成的宝石或是人工合成宝石。

 

3、测镀层和薄膜厚度

完全无标样镀层测厚和超薄薄膜测厚。

适用于材料生产中各种元素薄膜和各种金属镀层应用分析。

2021-11-16 17:18:59 487 0
13918400/942339005481 赛默飞雾化器

13918400 雾化器,赛默飞世尔原装进口雾化器现货促销942339005481

   我公司是一家专注于分析检测行业的系统性供应商,一直致力于分析测试技术方面进口仪器的配件耗材供应,主要优势经销美国赛默飞世尔(ThermoFisher)原装配件耗材(比如:ICP光谱,ICP-MS质谱,AAS原子吸收光谱, GC-MS气质,LC-MS液质,ARL直读光谱仪(ARL3460,ARL4460,ARL iSpark8820/8860/8880),9800/9900X荧光光谱,同位素质谱,红外光谱等仪器备件),珀金埃尔默(PerkinElmer)耗材,美国安捷伦(Agilent)耗材,美国沃特世(Waters)耗材,戴安(DIONEX)色谱耗材,岛津(SHIMADZU)耗材,瑞士万通(Metrohm)耗材等。

13918400 Nebulizer 雾化器

3200860 质谱仪截取锥

BRE0013019 炬管

1161870 雾化器

BRE0004328 蠕动泵夹

3600812 镍采样锥

1311870 镍截取锥

3600811 Xt镍截取锥

3200860 Xs截取锥

1318480 锥垫片

1230790 炬管

1319310 泵油

BRE0019927 泵油

H110-25-015 真空泵油

1202445 真空泵油

1320040 泵管

1320050 泵管

1310810  蠕动泵

1305600 Injector 2.5 mmZX管

1305640 Injector 2.0 mmZX管

1317090 PFA-ST 雾化器

1317080  雾化室

12644001 垂直炬管

08535300 调谐电容 

07718600 功率管

08546900 功率管座

12623400 工作线圈

14435900 高压电容 

13880900 继电器 

14454100 氩气压力开关 

13276400 切换气缸

12644002 TORCH ASSY HIGH/LOW FLOW

12644003 TORCH ASSY HIGH FLOW/TRACE

12644005 TORCH ASSY QUARTZ DUAL VIEW

12644006 ASSY TORCH QTZ HI FLOW SLOTT

 13020503 Cylindrical Mixing Chamber Assembly, Radial, Retro-fit Kit

13966900 Sample Introduction Kit, Axial, Gravity Drain

13966300 Glass Cyclone Spray Chamber, RADIAL, Pumped Drain for Floor IRIS

942339005481 原子吸收雾化器

842312051741 Radial Torch,EMT垂直炬管

842312051951 Center Tube 1.5mm ID(EMT)ZX管

842312051751 进样系统套件

842312051151 Radial Spray Chamber Adaptor 雾化室连接管

842312051411 Spray Chamber 雾化室

842312051431 Nebuliser雾化器

842312051331 Nebuliser高盐雾化器

842312051511 Pump Sample Tube Aqueous,进样泵管,6根/包

842312051521 Pump Drain Tube Aqueous,废液泵管,6根/包

842312051401 Sampling O Ring Kit,进样系统O形圈套件

842312051402 雾化器,雾化室连接头

842312051941 Center Tube 1mm ID(EMT)ZX管

842312051151 Radial Spray Chamber Adaptor

842312051311 Organics Spray Chamber 雾化室

842312051321 V Groove Nebuliser V型槽雾化器

842312051531 Pump Sample Tube Organics,有机进样泵管

842312051541 Pump Drain Tube Organics,有机废液泵管

842312051401 Sampling O Ring Kit,进样系统O形圈套件

842312051441 Spray Chamber Jacketed 雾化室

842312051321 V Groove Nebuliser V型槽雾化器

2019-08-13 14:23:38 605 0
赛默飞PDR1500个人颗粒物监测仪

赛默飞PDR1500个人颗粒物监测仪详细介绍

                                               


产品特点:

1.真正的体积流量控制;

2.可调换的旋风式切割器提供更加***的粒径切割点;

3.有台式设备性能的个人颗粒物监测设备;

4.对于环境变化具有***的适应性;

5.适用于NIOSH的0500和0600t的方法;

 




2022-12-30 11:56:09 203 0
赛默飞自动进样器安装如何做?

赛默飞自动进样器安装

在现代实验室的分析过程中,自动进样器作为提高工作效率和准确度的关键设备,越来越受到实验人员的青睐。赛默飞(Thermo Fisher)自动进样器是一款在各类实验分析中广泛应用的高性能设备,它能够显著提高样品分析的自动化水平,减少人为操作的误差,确保分析结果的准确性和可靠性。本文将详细介绍赛默飞自动进样器的安装步骤及相关注意事项,帮助用户正确、顺利地完成设备的安装与调试。

赛默飞自动进样器安装步骤

  1. 准备工作 在开始安装前,首先需要对安装环境进行检查,确保实验室的电源、电气设施符合赛默飞自动进样器的安装要求。赛默飞自动进样器通常需要稳定的电压和适宜的工作温度。设备安装位置应确保操作人员能够方便地进行日常维护,且远离强电磁干扰源。

  2. 拆箱与检查设备 开箱后,仔细检查设备和配件是否齐全,有无运输损坏。赛默飞自动进样器的包装通常包括主机、电源线、连接线、进样器针、标准样品架等组件。确保所有组件完好无损,且符合设备说明书中的配置清单。

  3. 设备组装 将自动进样器主机放置在预定的实验台上,确保设备稳固。根据说明书,将样品架、进样针及其他组件按照正确的顺序安装到位。特别需要注意的是,进样针的安装要确保其与进样口对接准确,以免发生误操作。

  4. 连接系统与电源 根据设备说明书的指导,使用标准电缆连接自动进样器与分析仪器(如气相色谱仪、液相色谱仪等)。安装过程中应确保电源连接稳定可靠,避免电压波动造成设备故障。完成电源连接后,开启设备进行初步的电气检测,确保设备正常启动。

  5. 软件安装与调试 安装完成后,需要在计算机上安装赛默飞自动进样器的控制软件,并与设备进行连接。通过软件界面检查设备的运行状态和数据传输情况。此时,还需要对自动进样器进行软件参数的设置和校准,确保设备能够准确读取样品信息并进行自动进样。

  6. 系统调试与校验 在完成硬件安装后,进入系统调试阶段。此时,可以进行空样品或标准样品的测试,检查进样器是否按预期工作。调试过程中,要注意观察进样量、进样精度及自动进样过程中的异常情况。根据测试结果,进行必要的参数调整和优化。

常见问题及解决方案

在安装赛默飞自动进样器时,用户可能会遇到一些常见问题,如进样不稳定、样品架无法正确识别、软件无法连接等。针对这些问题,建议按照设备说明书中的故障排查指南进行逐项检查。如果问题无法解决,可以联系赛默飞的技术支持团队,获取进一步的帮助。

总结

赛默飞自动进样器作为一款高效、的实验分析设备,其安装过程虽然不复杂,但每个环节的操作都需要小心谨慎。正确的安装不仅能够确保设备长期稳定运行,还能大化地发挥其分析性能。因此,实验人员在安装时必须严格按照操作手册的要求进行,确保每个步骤都做到位。通过合理的安装与调试,赛默飞自动进样器将为实验室的日常分析工作提供可靠的支持,提升工作效率和分析准确度。

2025-04-14 18:15:18 178 0
赛默飞自动进样器安装如何做?

赛默飞自动进样器安装

在现代实验室的分析过程中,自动进样器作为提高工作效率和准确度的关键设备,越来越受到实验人员的青睐。赛默飞(Thermo Fisher)自动进样器是一款在各类实验分析中广泛应用的高性能设备,它能够显著提高样品分析的自动化水平,减少人为操作的误差,确保分析结果的准确性和可靠性。本文将详细介绍赛默飞自动进样器的安装步骤及相关注意事项,帮助用户正确、顺利地完成设备的安装与调试。

赛默飞自动进样器安装步骤

  1. 准备工作 在开始安装前,首先需要对安装环境进行检查,确保实验室的电源、电气设施符合赛默飞自动进样器的安装要求。赛默飞自动进样器通常需要稳定的电压和适宜的工作温度。设备安装位置应确保操作人员能够方便地进行日常维护,且远离强电磁干扰源。

  2. 拆箱与检查设备 开箱后,仔细检查设备和配件是否齐全,有无运输损坏。赛默飞自动进样器的包装通常包括主机、电源线、连接线、进样器针、标准样品架等组件。确保所有组件完好无损,且符合设备说明书中的配置清单。

  3. 设备组装 将自动进样器主机放置在预定的实验台上,确保设备稳固。根据说明书,将样品架、进样针及其他组件按照正确的顺序安装到位。特别需要注意的是,进样针的安装要确保其与进样口对接准确,以免发生误操作。

  4. 连接系统与电源 根据设备说明书的指导,使用标准电缆连接自动进样器与分析仪器(如气相色谱仪、液相色谱仪等)。安装过程中应确保电源连接稳定可靠,避免电压波动造成设备故障。完成电源连接后,开启设备进行初步的电气检测,确保设备正常启动。

  5. 软件安装与调试 安装完成后,需要在计算机上安装赛默飞自动进样器的控制软件,并与设备进行连接。通过软件界面检查设备的运行状态和数据传输情况。此时,还需要对自动进样器进行软件参数的设置和校准,确保设备能够准确读取样品信息并进行自动进样。

  6. 系统调试与校验 在完成硬件安装后,进入系统调试阶段。此时,可以进行空样品或标准样品的测试,检查进样器是否按预期工作。调试过程中,要注意观察进样量、进样精度及自动进样过程中的异常情况。根据测试结果,进行必要的参数调整和优化。

常见问题及解决方案

在安装赛默飞自动进样器时,用户可能会遇到一些常见问题,如进样不稳定、样品架无法正确识别、软件无法连接等。针对这些问题,建议按照设备说明书中的故障排查指南进行逐项检查。如果问题无法解决,可以联系赛默飞的技术支持团队,获取进一步的帮助。

总结

赛默飞自动进样器作为一款高效、的实验分析设备,其安装过程虽然不复杂,但每个环节的操作都需要小心谨慎。正确的安装不仅能够确保设备长期稳定运行,还能大化地发挥其分析性能。因此,实验人员在安装时必须严格按照操作手册的要求进行,确保每个步骤都做到位。通过合理的安装与调试,赛默飞自动进样器将为实验室的日常分析工作提供可靠的支持,提升工作效率和分析准确度。

2025-04-11 17:00:13 177 0

2月突出贡献榜

推荐主页

最新话题