在当今快速发展的电力电子技术领域,功率半导体器件的性能优化至关重要。双脉冲测试(DPT)作为一种关键的测试方法,为功率器件的动态行为评估提供了精准的手段。本文将深入解析双脉冲测试的原理、应用及泰克科技在这一领域的先进解决方案,并介绍泰克专家高远新书的相关内容。
双脉冲测试的目标参数
在设计功率转换器时,理想状态是功率损耗为零,但现实中开关损耗不可避免。传统的硅基转换器效率约为87%至90%,这意味着10%至13%的输入功率以废热形式耗散,其中大部分损耗发生在MOSFET或IGBT等开关器件中。因此,精确测量这些器件的开关参数对于优化设计、提升效率至关重要。
双脉冲测试是测量MOSFET或IGBT开关参数的首xuan方法,被广泛应用于JEDEC和IEC标准中,如JEP182、JESD24-10、IEC 60747-9等。该测试方法能够在受控的电压、电流和温度条件下,通过脉冲限制被测器件(DUT)的自发热并保持稳定的结温,从而准确测量开关参数。
双脉冲测试的目标是测量以下开关参数:
• 导通参数:包括导通延迟时间td(on)、VDS下降时间tf、导通时间ton、最大漏极电流ID、dv/dt、di/dt、导通能量Eon和动态导通电阻RDS(on)。
• 关断参数:包括关断延迟时间td(off)、VDS上升时间tr、关断时间toff、最大漏源电压VDSM、dv/dt、di/dt、关断能量Eoff和输出电荷Qoss。
• 反向恢复参数:包括反向恢复时间tr、反向恢复电流Ir、反向恢复电荷Qrr、反向恢复能量Err和正向导通电压VSD。
双脉冲测试的三阶段
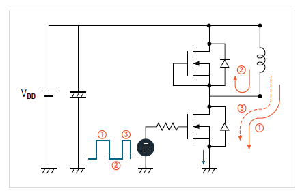
典型的双脉冲测试电路如图1所示,通过高侧和低侧FET的配置,实现对功率器件的精确测量。
测试分为三个重要阶段:
1)建立目标测试电流,调整第一个脉冲的宽度以通过负载电感提供所需的测试电流。
2)第一个脉冲的关断及测量,此时 Id已达到目标测试电流,并在功率器件关断时降至零。测量关断延迟(td(off))、下降时间( tf )、关断时间( toff)、关断能量(Eoff)、dv/dt 和di/dt。负载电流从负载电感流经续流二极管。关断时间保持较短以将负载电流维持在目标Id。
3)第二个脉冲的导通及测量,在此阶段进行导通测量,目标Id开始重新流入功率器件。导通期间的电流过冲是由于续流二极管反向恢复时的暂时过量电流。第二个脉冲宽度仅保持足够长以确保稳定测量,同时避免过热。
图1:用于测量低侧FET开关损耗的双脉冲测试电路;图2:以MOSFET为DUT的电流流向;图3:以IGBT为DUT的电流流向。
图4:双脉冲测试波形。顶部波形显示施加到栅极或栅极驱动器的信号。底部信号是对应的漏极电流(Ic)和漏源电压(VDS)。测量在第1和第2阶段以及第2和第3阶段之间的过渡处进行。
泰克科技的双脉冲测试解决方案
欲知更多方案应用详情,您还可以通过如下方式联系我们:
邮箱:huangyingying@feelvoo.com
网址:http://www.feelvoo.com
电话:15815537842
全部评论(0条)
DCA-M 采样示波器
报价:面议 已咨询 0次
是德DSOX4024A 示波器
报价:面议 已咨询 0次
是德 EDU34450A 数字万用表
报价:面议 已咨询 0次
是德 EDU36311A 三路输出电源
报价:面议 已咨询 0次
是德 EDU33210A 系列函数发生器
报价:面议 已咨询 0次
InfiniiVision 1000 X 系列示波器
报价:面议 已咨询 0次
是德 InfiniiVision 2000 X 系列示波器
报价:面议 已咨询 0次
是德 InfiniiVision HD3 系列示波器
报价:面议 已咨询 0次
泰克助力高效功率器件评估,深度解析功率半导体双脉冲测试
2025-06-26
2022-05-09
普赛斯 功率半导体测试3500V高压脉冲源特点
2025-12-11
2021-04-30
2024-12-03
“源”察秋毫--多次循环双脉冲测试应用助力功率器件研究及性能评估
2025-08-13
①本文由仪器网入驻的作者或注册的会员撰写并发布,观点仅代表作者本人,不代表仪器网立场。若内容侵犯到您的合法权益,请及时告诉,我们立即通知作者,并马上删除。
②凡本网注明"来源:仪器网"的所有作品,版权均属于仪器网,转载时须经本网同意,并请注明仪器网(www.yiqi.com)。
③本网转载并注明来源的作品,目的在于传递更多信息,并不代表本网赞同其观点或证实其内容的真实性,不承担此类作品侵权行为的直接责任及连带责任。其他媒体、网站或个人从本网转载时,必须保留本网注明的作品来源,并自负版权等法律责任。
④若本站内容侵犯到您的合法权益,请及时告诉,我们马上修改或删除。邮箱:hezou_yiqi
参与评论
登录后参与评论